樱桃视频大全免费高清版观看下载,樱桃AV免费网站,樱桃污软件安装,樱桃视频成人免费观看

    欢迎来到新乡市樱桃视频大全免费高清版观看下载机械设备有限公司网站!
    一个电话,为你解决所有问题。
    联系电话
    水泥振动输送输送形式
    发布时间:2022/7/7 9:28:20 浏览:
     

    水泥振动输送机:

    水泥振动输送输送形式采用振动电机作为振动源、使物料被抛起同时向前做直线运动,达到输送的目的;结构形式分为敞开式、封闭式、输送形式可分为槽式输送或管式输送,电机位置可上、下或侧面装配;该机型结构简单、安装、维修方便、能耗低、无粉尘溢散、噪音等优点。广泛应用于冶金、煤炭、建材化工、食品等行业中的粉状及颗粒状物料输送。

    樱桃视频大全免费高清版观看下载振动给料机型号说明:

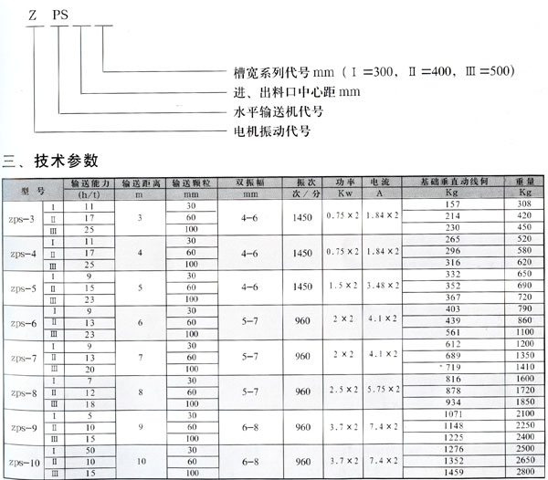
    zps振动水平输送机


    樱桃视频大全免费高清版观看下载振动输送机外形尺寸:

    振动水平输送机型号

    樱桃视频大全免费高清版观看下载的位置

    联系方式

    新乡市樱桃视频大全免费高清版观看下载机械设备有限公司
    联系人:尚经理
    手机:15736969926
    邮箱:3043144287@qq.com
    地址:河南省新乡西环工业园区

    版权所有(C)新乡市樱桃视频大全免费高清版观看下载机械设备有限公司 樱桃AV免费网站 樱桃污软件安装 不锈钢樱桃AV免费网站 樱桃视频成人免费观看 滚筒筛选机 直线樱桃AV免费网站 推广策划:新乡企翔网络公司 网站备案:豫ICP备87786699号
    网站地图